| 产品标题:KV-20,天工STNC,梭阀 产品ID:VIB20090926125213734 品 牌:STNC索诺天工 所在地:中国 上海 价 格:面议 (大量采购价格面议) 库存状态:货期待查 更新日期:2025-3-19 10:01:40 咨询电话:(+86)021-51699285 咨询Q Q: 2695337323 |
200909/2009092309120520948.gif 公司已通过 ISO9001:2000国际质量体系认证、欧盟ROHS指令认证及CE认证、美国UL认证
公司不断引进国际先进生产技术与设备,现有厂房 20000平方米,各类设备515台,其中数控车床76台,加工中心6台,精密自动轴芯机2台以及电脑控制检测设备3台、超声波清洗机2台,确保了高精度、高效率、高品质生产。
|
梭阀 | |||||||||||||||||||||||||||||||||||||||||||||||||||||||||||||
|
● 订购代码
| |||||||||||||||||||||||||||||||||||||||||||||||||||||||||||||
|
■ 技术参数
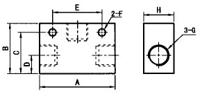
■ 外形尺寸
| |||||||||||||||||||||||||||||||||||||||||||||||||||||||||||||
|